Мы используем cookie для наилучшего представления нашего сайта. Подробнее об этом в Политике конфиденциальности.
Ок

Тула

Ваш город:
Тула (Тульская область)?
Нет
Да
Каталог
Каталог Написать в WhatsApp
Мотоэкипировка

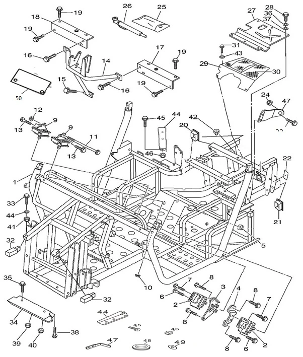
Рама КВАДРОЦИКЛА STELS UTV 500 H

Рама КВАДРОЦИКЛА STELS UTV 500 H в Москве: актуальный каталог, цены, фото, описание. Купите рама квадроцикла stels utv 500 h в кредит – оформите заявку онлайн за 1 минуту!

Оригинальные запчасти

Артикул НАИМЕНОВАНИЕ Кол-во деталей в узле Примечание Наличие Цена Аналоги Фото
1 LU025424 Рама мотовездехода 51100-055-0000

Под заказ

1

Под заказ

уточнить

Купить
2 LU021756 Кронштейн крепления двигателя правый, нижний 54306-058-0000

Под заказ

1

Под заказ

уточнить

300

Купить
3 LU021755 Кронштейн крепления двигателя левый, нижний 54305-058-0000

Под заказ

1

Под заказ

уточнить

500

Купить
4 LU018130 Гайка с фланцем самоконтр.M10х1.25мм (зелен), сталь 9203-10-125

Под заказ

2

Под заказ

уточнить

70

Купить
5 LU013751 Болт с фланцем M6x1.0x 16мм , сталь 9102-06-016

В наличии

2

В наличии

130

40

Купить
6 LU014079 Болт с фланцем М10х1.25х170/18мм, сталь A050174-41,16674-10-170

Под заказ

1

Под заказ

уточнить

40

Купить
7 LU025437 Кронштейн разделительной панели кабины 51640-055-0000

Под заказ

2

Под заказ

уточнить

Купить
8 LU025426 Кронштейн крепления сидения, левый 51630-055-0000

Под заказ

1

Под заказ

уточнить

Купить
9 LU025427 Кронштейн крепления сидения, правый 51620-055-0000

Под заказ

1

Под заказ

уточнить

Купить
10 LU013783 Болт с фланцем М8х1.25х 16мм, сталь 9102-08-016

Под заказ

8

Под заказ

уточнить

40

Купить
11 LU025429 Заглушка рамы нижняя, пластик 51432-055-0000

Под заказ

2

Под заказ

уточнить

Купить
12 LU025430 Наклейка из ПВХ самоклеющаяся (ограничение по прицепу) 92121-055-0000

Под заказ

1

Под заказ

уточнить

Купить
13 LU021495 Болт с фланцем М8х1.25х 12мм , сталь 9102-08-012

В наличии

1
Q/QD920-2002
Q/QD920-2002

В наличии

80

100

Купить
14 LU016810 Гайка с фланцем ребрист. M8х1.25мм, сталь 9204-08-125,B0407080005L

Под заказ

1

Под заказ

уточнить

40

Купить
15 LU025431 Сумка с инструментами 85100-055-0000

Под заказ

1

Под заказ

уточнить

Купить
16 LU025432 Манометр для измерения давления в шинах 85103-055-0000

Под заказ

1

Под заказ

уточнить

Купить
17 LU025438 Пластина теплоизоляционная глушителя, сталь 18125-055-0000

Под заказ

1

Под заказ

уточнить

Купить
18 LU014743 Болт с фланцем M6x1.0x 12мм, сталь 9102-06-012

Под заказ

6

Под заказ

уточнить

70

Купить
19 LU025379 Пластина теплоизоляционная заднего моста, сталь 18126-055-0000

Под заказ

1

Под заказ

уточнить

Купить
20 LU025439 Прокладка теплоизоляционная заднего моста, картон 94812-055-0000

Под заказ

1

Под заказ

уточнить

Купить
21 LU025440 Кронштейн крепления передней панели 51210-055-0000

Под заказ

2

Под заказ

уточнить

Купить
22 LU025441 Пластина крепления бампера 51161-055-0000

Под заказ

1

Под заказ

уточнить

350

Купить
23 LU025446 Болт с фланцем M10х1.5х35мм, сталь 16674-12-35

Под заказ

2

Под заказ

уточнить

Купить
24 LU025445 Шайба 6мм, резина 90603-055-0000

Под заказ

6

Под заказ

уточнить

Купить
25 LU013984 Гайка самоконтрящаяся M12х1.25мм, сталь A060008-41,15228H03F000,6187.2-12-00,6184.2-12-00,B040112125

Под заказ

2
M12×1.25
M12×1.25

Под заказ

уточнить

30

Купить
26 LU025444 Подушка демпфирующая (круглая) грузового багажника, резина 84505-055-0000

Под заказ

1

Под заказ

уточнить

Купить
27 LU025442 Хомут крепления жгута проводов, сталь 44512-055-0000

Под заказ

1

Под заказ

уточнить

Купить
28 LU025443 Кронштейн установочный кузова, нижний 54340-055-0000

Под заказ

1

Под заказ

уточнить

Купить
29 LU029027 Кольцо резиновое рамы 84508-055-0000

Под заказ

2

Под заказ

уточнить

Купить
30 LU032164 Шайба 10мм, резина 90604-055-0000

Под заказ

2

Под заказ

уточнить

Купить
31 LU036978 Пластина монтажная блока управления двигателем, сталь 51431-055C-0000

Под заказ

1

Под заказ

уточнить

Купить
32 LN001063 Кронштейн крепления заднего фонаря 54250-055-0000

Под заказ

1

Под заказ

уточнить

Купить

Нулевая цена не означает отсутствие товара. Оформите заказ, и менеджер сообщит вам цену и наличие товара, предварительно запросив их у поставщика

Главная Магазины
Корзина0
Профиль