Мы используем cookie для наилучшего представления нашего сайта. Подробнее об этом в Политике конфиденциальности.
Ок

Тула

Ваш город:
Тула (Тульская область)?
Нет
Да
Каталог
Каталог Написать в WhatsApp
Мотоэкипировка

Транец и поворотные кронштейны (Часть 2) 2-х тактного ПЛМ MERCURY 40 M Серийный номер от 0N056165 и выше

Транец и поворотные кронштейны (Часть 2) 2-х тактного ПЛМ MERCURY 40 M Серийный номер от 0N056165 и выше в Москве: актуальный каталог, цены, фото, описание. Купите транец и поворотные кронштейны (часть 2) 2-х тактного плм mercury 40 m серийный номер от 0n056165 и выше в кредит – оформите заявку онлайн за 1 минуту!

Оригинальные запчасти

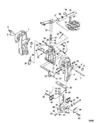
Артикул НАИМЕНОВАНИЕ Кол-во деталей в узле Примечание Наличие Цена Аналоги Фото
1 803856001 CLAMP BRACKET, (Starboard)

Под заказ

1

Под заказ

уточнить

Купить
2 803856002 CLAMP BRACKET, (Port)

Под заказ

1

Под заказ

уточнить

Купить
3 853769001 TILT TUBE

Под заказ

1

Под заказ

уточнить

Купить
4 853722029 Гайка (NUT, Nylon)

Под заказ

1

Под заказ

уточнить

Купить
5 161764 BUSHING

Под заказ

2

Под заказ

уточнить

Купить
6 16198003 Упорный стержень (THRUST ROD)

Под заказ

1

Под заказ

уточнить

Купить
7 8150266 COTTER PIN

Под заказ

1

Под заказ

уточнить

Купить
8 162635 CLAMP SCREW

Под заказ

2

Под заказ

уточнить

Купить
9 8M0122057 SWIVEL BRACKET

Под заказ

1

Под заказ

уточнить

Купить
10 8M0075038 SWIVEL TUBE

Под заказ

1

Под заказ

уточнить

Купить
11 16336007 Втулка (BUSHING)

Под заказ

2

Под заказ

уточнить

Купить
12 162052 FRICTION PLATE

Под заказ

1

Под заказ

уточнить

Купить
13 803774004 THRUST PLATE

Под заказ

2

Под заказ

уточнить

Купить
14 16109002 Уплотнительное кольцо (O-RING)

Под заказ

1

Под заказ

уточнить

Купить
15 8M0079616 MOUNT

Под заказ

2

Под заказ

уточнить

Купить
16 8M0115483 BOLT

Под заказ

2

Под заказ

уточнить

Купить
17 851871 UPPER LOCKING PLATE

Под заказ

1

Под заказ

уточнить

Купить
18 851870 GROMMET

Под заказ

2

Под заказ

уточнить

Купить
19 879194274 BOLT

Под заказ

3

Под заказ

уточнить

Купить
20 824969 Фиттинг (FITTING, Grease)

Под заказ

3

Под заказ

уточнить

Купить
21 953831 SPRING

Под заказ

1

Под заказ

уточнить

Купить
22 95286027 COLLAR

Под заказ

2

Под заказ

уточнить

Купить
23 898101089 WIRE, Ground

Под заказ

1

Под заказ

уточнить

Купить
24 8230427 BOLT, (M6 x 12)

Под заказ

2

Под заказ

уточнить

Купить
25 823912002 Анод (ANODE)

Под заказ

1

Под заказ

уточнить

Купить
26 162232 BOLT

Под заказ

2

Под заказ

уточнить

Купить
27 8537405 GROUND WIRE, To Lower Mount

Под заказ

1

Под заказ

уточнить

Купить
28 953928 WASHER

Под заказ

4

Под заказ

уточнить

Купить
29 815094005 STOPPER, Tilt

Под заказ

1

Под заказ

уточнить

Купить
30 16208 GRIP, TILT STOP

Под заказ

1

Под заказ

уточнить

Купить
31 95218017 PIN, Spring

Под заказ

1

Под заказ

уточнить

Купить
32 95383010 SPRING

Под заказ

1

Под заказ

уточнить

Купить
33 853786005 BOTTOM YOKE

Под заказ

1

Под заказ

уточнить

Купить
34 804027001 C-RING

Под заказ

1

Под заказ

уточнить

Купить
35 8537732 RUBBER DAMPER, Lower

Под заказ

1

Под заказ

уточнить

Купить
36 167051 Болт (BOLT)

Под заказ

4

Под заказ

уточнить

Купить
37 851869 COVER

Под заказ

2

Под заказ

уточнить

Купить
38 8M0075315 Держатель (MOUNT)

Под заказ

2

Под заказ

уточнить

Купить
39 851866012 SCREW

Под заказ

2

Под заказ

уточнить

Купить
40 851867 WASHER

Под заказ

2

Под заказ

уточнить

Купить
41 85372218 NUT

Под заказ

2

Под заказ

уточнить

Купить

Нулевая цена не означает отсутствие товара. Оформите заказ, и менеджер сообщит вам цену и наличие товара, предварительно запросив их у поставщика

Главная Магазины
Корзина0
Профиль